—— 推荐产品 ——
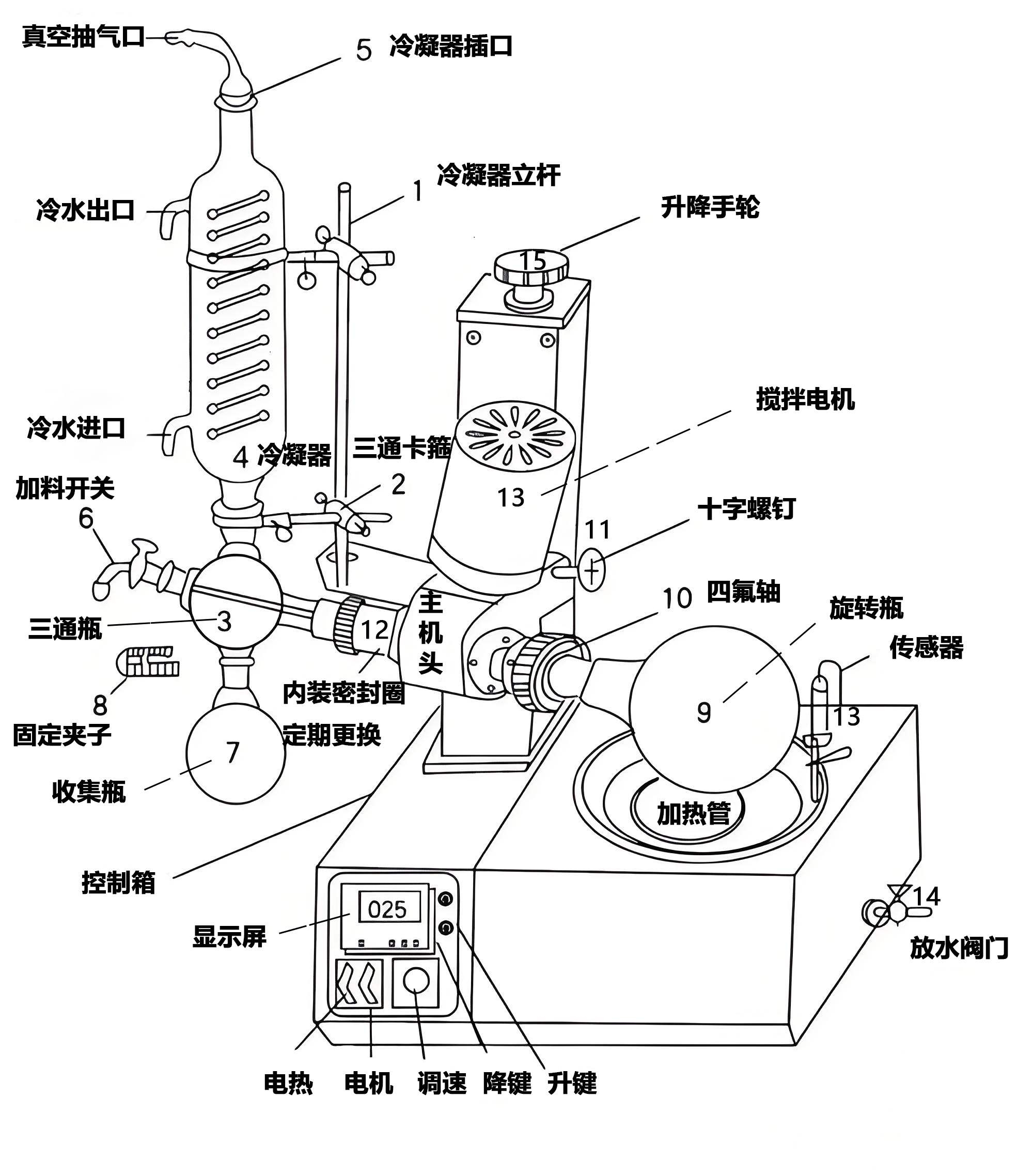
RECOMMOND旋转蒸发器的工作原理示意图:
这是RE-5299型旋转蒸发器的工作原理示意图,详细标注了每个配件的名称和不同位置配备的固定件。整体结构一目了然。通过以下核心机制,实现高效蒸发:
1、旋转增膜:调节转速旋钮,调整合适的转速,使旋转瓶以50r~120r/min的速度恒速运转,使试剂溶液在瓶内形成均匀的薄膜,增大蒸发面积。
2、减压降沸:真空泵抽取玻璃瓶内的空气,直至-0.098mpa。使溶剂沸腾的温度降低20-50℃。
3、加热蒸发:恒温水浴锅不断加热,数字设定并智能恒温,控制所需温度数值,通常为20~100℃之间,配合高效冷凝管快速液化蒸汽,回收至7号收集瓶中。

(图示:旋转蒸发器工作状态下的液膜形成于蒸汽冷凝的过程)